幾種常見電動機介紹

將直流電能轉換為機械能的電動機。因其良好的調速性能而在電力拖動中得到廣泛應用。直流電動機按勵磁方式分為永磁、他勵和自勵3類,其中自勵又分為并勵、串勵和復勵3種。
直流電動機(圖5)
交流電動機
將交流電的電能轉變為機械能的一種機器。交流電動機主要由一個用以產生磁場的電磁鐵繞組或分布的定子繞組和一個旋轉電樞或轉子組成。電動機利用通電線圈在磁場中受力轉動的現象而制成的。交流電動機由定子和轉子組成,并且定子和轉子是采用同一電源,所以定子和轉子中電流的方向變化總是同步的。交流電動機就是利用這個原理而工作的。
交流電動機(圖6)
三相電機是指當電機的三相定子繞組(各相差120度電角度),通入三相交流電后,將產生一個旋轉磁場,該旋轉磁場切割轉子繞組,從而在轉子繞組中產生感應電流(轉子繞組是閉合通路),載流的轉子導體在定子旋轉磁場作用下將產生電磁力,從而在電機轉軸上形成電磁轉矩,驅動電動機旋轉,并且電機旋轉方向與旋轉磁場方向相同。
三相電動機(圖7)
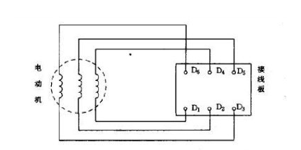
三相異步電動機的三相定子繞組每相繞組都有兩個引出線頭,總共六個引出線頭,分別以U1、U2;V1、V2;W1、W2表示。這六個引出線頭引入電機接線盒的接線柱上。
三相電動機接線圖(圖8)
單相電動機
單相電機一般是指用單相交流電源(AC220V)供電的小功率單相異步電動機。單相異步電動機通常在定子上有兩相繞組,轉子是普通鼠籠型的。兩相繞組在定子上的分布以及供電情況的不同,可以產生不同的起動特性和運行特性。
單相電動機(圖9)
下圖是帶正反轉開關的接線圖,通常這種電機的起動繞組與運行繞組的電阻值是一樣的,就是說電機的起動繞組與運行繞組是線徑與線圈數完全一致的。一般洗衣機用得到這種電機。這種正反轉控制方法簡單,不用復雜的轉換開關。
單相電動機正反轉接線圖(圖10)
步進電動機
步進電動機又稱脈沖電機,是數字控制系統中的一種重要的執行元件,它是將電脈沖信號變換成轉角或轉速的執行電動機,其角位移量與輸入電脈沖數成正比;其轉速與電脈沖的頻率成正比。在負載能力范圍內,這些關系將不受電源電壓、負載、環境、溫度等因素的影響,還可在很寬的范圍內實現調速,快速啟動、制動和反轉。
步進電動機(圖11)
伺服電動機又叫執行電動機,或叫控制電動機。在自動控制系統中,伺服電動機是一個執行元件,它的作用是把信號(控制電壓或相位)變換成機械位移,也就是把接收到的電信號變為電機的一定轉速或角位移。其容量一般在0.1-100W,常用的是30W以下。伺服電動機有直流和交流之分。
伺服電動機(圖12)
無鐵芯電動機
無鐵芯電動機是代表電機行業未來發展方向的一種新型特種電機,采用無鐵芯、無刷、無磁阻尼、稀土永磁發電技術,改變了傳統電機運用硅鋼片與繞線定子結構,結合電子智能變頻技術,使電機系統效率提高到95%以上。
無鐵芯電動機(圖13)
電動機的應用
根據其使用環境與使用頻率的不同,形式也不同。不同形式的電機其特點也不一樣。
電動車電機:目前電動車電機普遍采用永磁直流電機。所謂永磁電機,是指電機線圈采用永磁體激磁,不采用線圈激磁的方式。這樣就省去了激磁線圈工作時消耗的電能,提高了電機機電轉換效率,這對使用車載有限能源的電動車來講,可以降低行駛電流,延長續行里程。
電動車電機(圖14)
剎車電機:剎車電機又名電磁失電制動電機、制動異步電動機,是全封閉、自扇冷、鼠籠型,附加直流電磁鐵制動器的異步電機。剎車電機分為:直流剎車電機,交流剎車電機。直流剎車電機需要安裝整流器,整流后的電壓為99V,170V或90-108V,直流剎車電機因為要經過整流電壓,最快剎車時間在0.6秒左右。交流剎車電機因為直接380V電壓,不需整流,剎車時間可以在0.2秒內完成。
剎車電機(圖15)
調速電機:調速電機是利用改變電機的級數、電壓、電流、頻率等方法改變電機的轉速,以使電機達到較高的使用性能的一種電機。具體有變極對數調速、變頻調速、串級調速、繞線式電動機轉子串電阻調速、定子調壓調速、電磁調速電動機調速、組合型調速、PWM調速、液力耦合器調速。其中電磁調速電動機調速、液力耦合器調速、PWM調速等可進行無級調速。
調速電機(圖15)
發表評論